200W铜管散热大功率LED工厂灯(LED工矿灯)主要用于大型工厂车间、体育场馆、户外楼体亮化、施工工地、机场码头等大面积照明场所;具有照射面积大、距离远等特点;由于LED灯具功率越大灯体内灯珠越多越密集,就会产生更大的热量;如果不能有效的快速将灯珠上面的温度传递导出就很容易造成灯珠死灯、光衰严重、甚至电源被高温烧坏等危险;所以东莞宅男666视频社区照明所生产超过200W及以上的LED工矿灯都采用纯铜管导热,下面详细介绍200W铜管散热大功率LED工厂灯(LED工矿灯)材质和规格参数;
200W铜管散热大功率LED工厂灯(LED工矿灯)主要材质:
* 灯体散热器采用鳍片铆接方式,鳍片均采用1060铝材,经过扣片技术工艺处理。
* 采用纯铜热管经鳍片压管工艺,热管紧密贴合鳍片技术,纯铜导热管铆接鳍片散热技术有效解决高功率散热难题,让芯片、驱动寿命更长。
* 散热套件整体均经电泳处理,耐腐蚀性更强,通过200小时盐雾测试。
* LED工厂灯防护等级达到IP65,防尘防水,满足各种户外恶劣环境要求。
* 灯罩呼吸器的设计,避免了灯罩内出现凝雾。
* 整个灯体的可调角度达到210°。
200W铜管散热大功率LED工厂灯(LED工矿灯)规格参数和报价:
|
产品规格书 |
| 灯具图片 |
规格参数 |
 |
200W纯铜管导热大功率LED工厂灯 |
型号:QDLED-GC011-200W |
| 电源参数 |
额定功率 |
200W |
| 电源电压 |
100VAC-240VAC |
| 频率/Hz |
50Hz/50Hz |
| 功率因数 |
≥0.98 |
| LED光源 |
光通量/Lm±10% |
23000LM |
| 光效/lm/w |
140-150lm/w |
| 色温/K |
3000K/5000K/6000K |
| 显指Ra |
Ra≥80 |
| LED数量 |
210颗7串30并 飞利浦3030灯珠 |
| 电源品牌 |
台湾明纬 |
| 发光角度/±3° |
25°、60°、90º |
| 中心光强/cd |
|
| 主体材质 |
鳍片铝+4根纯铜导热铜管+PC透镜 |
| 防护等级IP |
IP65 |
| 寿命/h |
100000 |
| 包装方式 |
整灯尺寸 |
φ375*H510mm |
| 净重 |
5.7KG |
| 毛重 |
8.6KG |
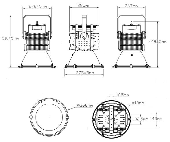
200W铜管散热大功率LED工厂灯(LED工矿灯)规格尺寸图纸:
将《200W铜管散热大功率LED工厂灯\LED工矿灯价格及规格参数》分享到: